产品分类

联系我们

宁波保税区宏展自动化设备有限公司

电话:0574-87104136/37/38 

传真:0574-87104135

邮箱:nb@nhz.net.cn 

地址:宁波市江北区洪塘街道广元路208号7幢1楼

网址:http://www.honzhon.com/




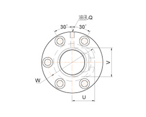
外循环管凸出型单螺帽滚珠丝杠FSVC

您的当前位置: 首 页 >> 产品中心 >>

外循环管凸出型单螺帽滚珠丝杠FSVC

  • 所属分类:

  • 点击次数:
  • 发布日期:2016/08/22
  • 在线询价
详细介绍

3详情.jpg

相关标签:直线电机平台

上一篇:没有了
下一篇:没有了
在线客服
分享
欢迎给我们留言
请在此输入留言内容,我们会尽快与您联系。
姓名
联系人
电话
座机/手机号码
在线客服系统