宁波保税区宏展自动化有限公司
首页
公司
产品
案例
新闻
联系
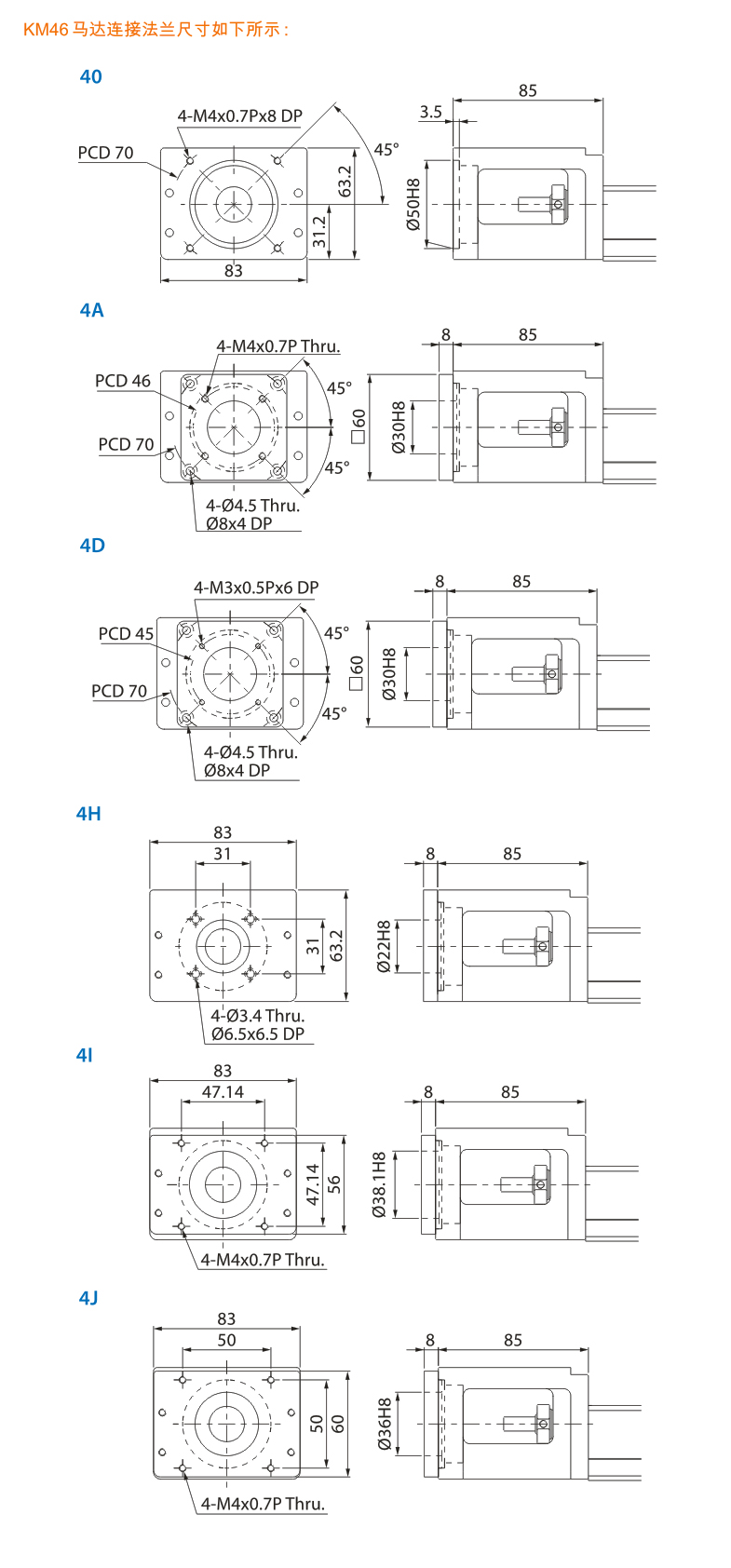
KM46马达连接法兰
在线询价
详细内容
上一篇:
KM55马达连接法兰
下一篇:
KM45马达连接法兰
分享到
新浪微博
人人网
豆瓣
腾讯微博
QQ空间